- Produktbeschreibung
Produktbeschreibung
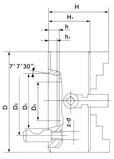
Die Bernardo Planscheibe K72-500/D8" Planscheiben ist eine hochwertige Planscheibe für verschiedene Anwendungen. Die Planscheibe hat eine Futtergröße von 500/D8, einen Durchmesser von 500 mm und einen Kegel von 8. Die maximal mögliche D1 beträgt 139,72 mm, die D2 171,4 mm und die D3 125 mm. Die Höhe H1 beträgt 106 mm. Die maximale Drehzahl liegt bei 400/min. Das Gewicht der Planscheibe beträgt ca. 95 kg.
| Technische Daten: | |
Futtergröße: | 500/D8 |
D - Durchmesser: | 500 mm |
Kegel: | 8 |
D1 (max.): | 139,72 mm |
D2: | 171,4 mm |
D3: | 125 mm |
H1: | 106 mm |
Max. Drehzahl: | 400/min |
Gewicht ca.: | 95 kg |
Diesen Artikel haben wir am 20.10.2012 in unseren Katalog aufgenommen.
Zuletzt angesehen


