- Produktbeschreibung
Produktbeschreibung
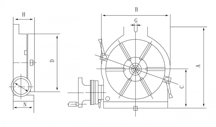
Der Bernardo Horizontal- und Vertikalrundtisch HV 16 Rundtische ist ein vielseitiges Werkzeug für Fräs- und Bohrarbeiten auf Horizontal- oder Vertikalfräsmaschinen, Bohrmaschinen usw. Die Tischplatte ist aus hochwertigem Meehaniteguß hergestellt. Schneckenwelle gehärtet und geschliffen, Schneckenrad aus Spezialguß.
Technische Daten:
| Allgemeine Daten | |
| Tischdurchmesser: | 400 mm |
| Übersetzung: | 90:1 |
| Morsekonus: | MK 4 |
| Anzahl T-Nuten: | 6 Stk. |
| Max. Tragkraft horizontal: | 140 kg |
| Max. Tragkraft vertikal: | 70 kg |
| Abmessungen | |
| A: | 525 mm |
| B: | 450 mm |
| C: | 260 mm |
| D: | 400 mm |
| E: | 16 mm |
| G: | 18 mm |
| H: | 150 mm |
| N: | 145 mm |
| Gewicht ca.: | 93 kg |
Beschreibung:
- Einsetzbar bei Fräs- und Bohrarbeiten auf Horizontal- oder Vertikalfräsmaschinen, Bohrmaschinen usw.
- Die Tischplatte ist aus hochwertigem Meehaniteguß hergestellt
- Schneckenwelle gehärtet und geschliffen, Schneckenrad aus Spezialguß
- Klemmung der Tischplatte erfolgt durch zwei Klemmhebel
- Übersetzung im Schneckengetriebe 90:1
- Grad-Teilarbeiten über Skalentrommel mit verstellbarem Nonius
- Direkt-Teilarbeiten über die am Tisch angebrachte 360° Skala
Diesen Artikel haben wir am 20.10.2012 in unseren Katalog aufgenommen.
Dieses Produkt ist z.B. kompatibel zu:
Zuletzt angesehen















