- Produktbeschreibung
Produktbeschreibung
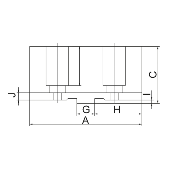
Der Bernardo Weiche Aufsatzbacken STJ-PS3-315 Backen für 3-Backenfutter PS3 / PO3 ist ein hochpräzises Werkzeug für verschiedene Anwendungen. Die Technischen Daten sind wie folgt:
| Technische Daten: | |
| Futtergröße: | 315 mm |
| A: | 120 mm |
| B: | 37 mm |
| C: | 55 mm |
| D: | 12,71 mm |
| E: | 30,7 mm |
| F: | 63,5 mm |
| G: | 19,04 mm |
| H: | 53 mm |
| I: | 3,2 mm |
| J: | 4 mm |
| Bolzengröße: | M12 |
Dieses Produkt ist z.B. kompatibel zu:
Zuletzt angesehen







