- Produktbeschreibung
Produktbeschreibung
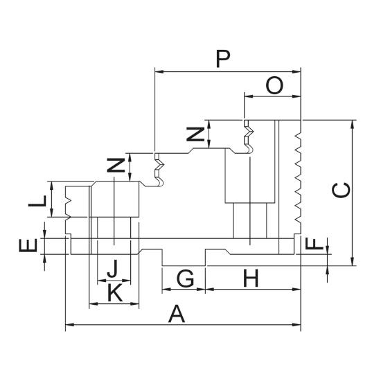
Der Bernardo Umkehr-Aufsatzbacken TJ-PS4-250 Backen für 4-Backenfutter PS4 / PO4 ist ein hochpräzises Werkzeug für verschiedene Anwendungen. Die technischen Daten sind wie folgt:
| Technische Daten: | |
| Futtergröße: | 250 mm |
| M: | 27 mm |
| H: | 39,7 mm |
| G: | 19,04 mm |
| L: | 14,5 mm |
| J: | 14 mm |
| K: | 20 mm |
| D: | 12,71 mm |
| E: | 4 mm |
| F: | 3,2 mm |
| R: | 22 mm |
| N: | 13,5 mm |
| C: | 53 mm |
| B: | 32,5 mm |
| A: | 95 mm |
| O: | 29 mm |
| P: | 64 mm |
Zuletzt angesehen


