- Produktbeschreibung
Produktbeschreibung
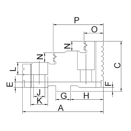
Der Bernardo Umkehr-Aufsatzbacken TJ-PS3-315 Backen für 3-Backenfutter PS3 / PO3 ist ein hochpräzises Werkzeug für verschiedene Anwendungen. Die folgenden technischen Daten geben einen Überblick über die Eigenschaften des Produkts.
Technische Daten:
Futtergröße: | 315 mm |
M: | 31,75 mm |
H: | 47,6 mm |
G: | 19,04 mm |
L: | 14,5 mm |
J: | 14 mm |
K: | 20 mm |
D: | 12,71 mm |
E: | 4 mm |
F: | 3,2 mm |
R: | 35,4 mm |
N: | 17,5 mm |
C: | 58 mm |
B: | 37 mm |
A: | 108 mm |
O: | 31 mm |
P: | 76,5 mm |
Dieses Produkt ist z.B. kompatibel zu:
Zuletzt angesehen





