- Produktbeschreibung
Produktbeschreibung
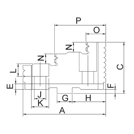
Der Bernardo Umkehr-Aufsatzbacken TJ-PS3-125 Backen für 3-Backenfutter PS3 / PO3 ist ein wichtiger Bestandteil für verschiedene Anwendungen. Die folgenden technischen Daten geben einen Überblick über die Eigenschaften dieses Produkts.
| Technische Daten: | |
| Futtergröße: | 125 mm |
| M: | 16 mm |
| H: | 22,6 mm |
| G: | 12,69 mm |
| L: | 10 mm |
| J: | 9 mm |
| K: | 14 mm |
| D: | 7,95 mm |
| E: | 4 mm |
| F: | 3,2 mm |
| R: | 13 mm |
| N: | 8 mm |
| C: | 38,5 mm |
| B: | 22 mm |
| A: | 56 mm |
| O: | 14,5 mm |
| P: | 35 mm |
Zuletzt angesehen





