- Produktbeschreibung
Produktbeschreibung
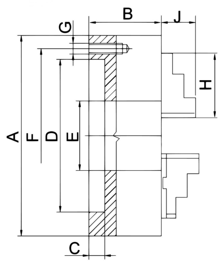
Technische Daten:
A - Futtergröße: | 500 |
B: | 120 mm |
C: | 5 mm |
D: | 420 mm |
E: | 190 mm |
F: | 458 mm |
G: | M16 |
H: | 180 mm |
J: | 60 mm |
Max. Drehzahl: | 700 U/min |
Gewicht ca.: | 145 kg |
Beschreibung:
Ausführung:
- Standard-Vierbackendrehfutter mit hochwertigem Gusskörper
- Mit Zentrieraufnahme nach DIN 6350
- Inklusive je 1 Satz Dreh- und Bohrbacken
Anwendungsbereich:
- Geeignet für Dreh- und Schleifmaschinen sowie Fräsvorrichtungen
- Zum Spannen von rechteckigen und runden Werkstücken
- Zur Verwendung bei Maschinen mit erhöhter Rundlaufgenauigkeit
Standardzubehör:
- 1 Satz Drehbacken IJ-S4
- 1 Satz Bohrbacken OJ-PS4
Diesen Artikel haben wir am 20.10.2012 in unseren Katalog aufgenommen.
Zuletzt angesehen





