- Produktbeschreibung
Produktbeschreibung
Das Bernardo Standard-4-Backenfutter PS4-400 ist ein hochwertiges 4-Backenfutter aus Guss. Es eignet sich für Dreh- und Schleifmaschinen sowie Fräsvorrichtungen und ist zum Spannen von rechteckigen und runden Werkstücken bestimmt.
Technische Daten:
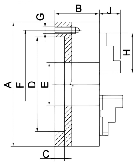
A - Futtergröße: | 400 |
B: | 105 mm |
C: | 5 mm |
D: | 330 mm |
E: | 136 mm |
F: | 362 mm |
G: | M16 |
H: | 145 mm |
J: | 55 mm |
Max. Drehzahl: | 1000 U/min |
Gewicht ca.: | 85 kg |
Beschreibung:
Ausführung:
- Standard-Vierbackendrehfutter mit hochwertigem Gusskörper
- Mit Zentrieraufnahme nach DIN 6350
- Inklusive je 1 Satz Dreh- und Bohrbacken
Anwendungsbereich:
- Geeignet für Dreh- und Schleifmaschinen sowie Fräsvorrichtungen
- Zum Spannen von rechteckigen und runden Werkstücken
- Zur Verwendung bei Maschinen mit erhöhter Rundlaufgenauigkeit
Standardzubehör:
- 1 Satz Drehbacken IJ-S4
- 1 Satz Bohrbacken OJ-PS4
Diesen Artikel haben wir am 20.10.2012 in unseren Katalog aufgenommen.
Zuletzt angesehen





