- Produktbeschreibung
Produktbeschreibung
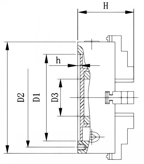
Technische Daten:
D - Futtergröße: | 500 |
D1: | 420 mm |
D2: | 458 mm |
D3: | 210 mm |
H: | 205 mm |
H1: | 115 mm |
h: | 6 mm |
Befestigungsschrauben: | 6 x M16 |
Max. Drehzahl: | 800 U/min |
Gewicht ca.: | 142 kg |
Beschreibung:
Ausführung:
- Standard-Vierbackendrehfutter mit hochwertigem Gusskörper
- Mit Zentrieraufnahme nach DIN 6350
- Inklusive je 1 Satz Dreh- und Bohrbacken
Anwendungsbereich:
- Geeignet für Dreh- und Schleifmaschinen sowie Fräsvorrichtungen
Standardzubehör:
- 1 Satz Drehbacken DIJ-DK11
- 1 Satz Bohrbacken DOJ-DK11
Diesen Artikel haben wir am 20.10.2012 in unseren Katalog aufgenommen.
Zuletzt angesehen





