- Produktbeschreibung
Produktbeschreibung
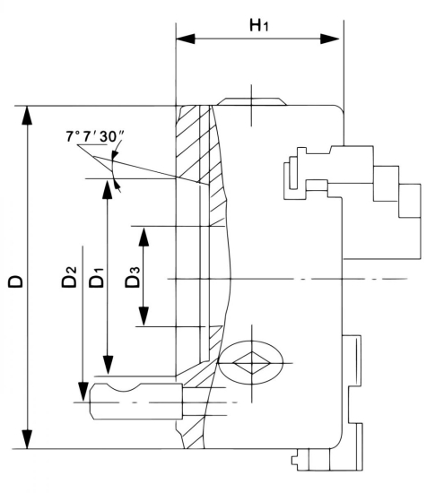
Das Bernardo Standard-4-Backenfutter DK12-315/D8 ist ein 4-Backenfutter aus Guss. Es ist für den Einsatz in verschiedenen Anwendungen geeignet.
Technische Daten:
| Allgemeine Daten | |
| Futtergröße: | 315/D8 |
| D - Durchmesser: | 315 mm |
| Taper: | 8 |
| D1 (max.): | 139,734 mm |
| D2: | 171,4 mm |
| D3: | 100 mm |
| H1: | 113 mm |
| Max. Drehzahl: | 1200 U/min |
| Gewicht ca.: | 51 kg |
Diesen Artikel haben wir am 20.10.2012 in unseren Katalog aufgenommen.
Zuletzt angesehen





