- Produktbeschreibung
Produktbeschreibung
Das Bernardo Standard-3-Backenfutter PS3-200 ist ein hochwertiges Dreibackendrehfutter aus Guss. Es ist geeignet für Dreh- und Schleifmaschinen und zur Verwendung bei Maschinen mit erhöhter Rundlaufgenauigkeit.
Technische Daten:
| Maße | |
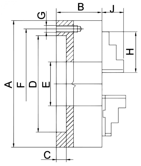
| A - Futtergröße: | 200 |
| B: | 75 mm |
| C: | 4 mm |
| D: | 160 mm |
| E: | 55 mm |
| F: | 176 mm |
| G: | M10 |
| H: | 85 mm |
| J: | 29 mm |
| Leistung | |
| Max. Drehzahl: | 2500 U/min |
| Gewicht ca.: | 17,5 kg |
Beschreibung:
Ausführung:
- Standard-Dreibackendrehfutter mit hochwertigem Gusskörper
- Mit Zentrieraufnahme nach DIN 6350
- Inklusive je 1 Satz Dreh- und Bohrbacken
Anwendungsbereich:
- Geeignet für Dreh- und Schleifmaschinen
- Zur Verwendung bei Maschinen mit erhöhter Rundlaufgenauigkeit
Standardzubehör:
- 1 Satz Drehbacken IJ-PS3
- 1 Satz Bohrbacken OJ-PS3
Diesen Artikel haben wir am 20.10.2012 in unseren Katalog aufgenommen.
Zuletzt angesehen




