- Produktbeschreibung
Produktbeschreibung
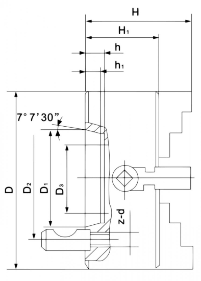
Die Bernardo Planscheibe K72-800/D11 ist eine hochwertige Planscheibe für verschiedene Anwendungen.
Technische Daten:
Futtergröße: | 800/D11 |
D - Durchmesser: | 800 mm |
Kegel: | 11 |
D1 (max.): | 196,87 mm |
D2: | 235 mm |
D3: | 180 mm |
H1: | 135 mm |
Max. Drehzahl: | 240 U/min |
Gewicht ca.: | 243 kg |
Diesen Artikel haben wir am 20.10.2012 in unseren Katalog aufgenommen.
Zuletzt angesehen

