- Produktbeschreibung
Produktbeschreibung
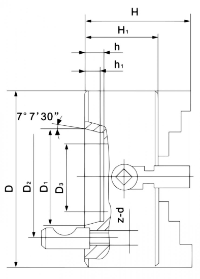
Die Bernardo Planscheibe K72-630/D15" ist eine hochwertige Planscheibe fĂĽr verschiedene Anwendungen. Die Technischen Daten sind wie folgt:
| Technische Daten: | |
| Futtergröße: | 630/D15 |
| D - Durchmesser: | 630 mm |
| Kegel: | 15 |
| D1 (max.): | 285,77 mm |
| D2: | 330,2 mm |
| D3: | 180 mm |
| H1: | 115 mm |
| Max. Drehzahl: | 180 U/min |
| Gewicht ca.: | 174 kg |
Diesen Artikel haben wir am 20.10.2012 in unseren Katalog aufgenommen.
Zuletzt angesehen


