- Produktbeschreibung
Produktbeschreibung
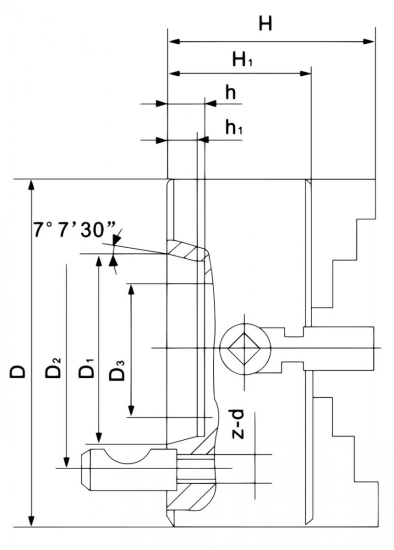
Technische Daten:
Futtergröße: | 320/D8 |
D - Durchmesser: | 320 mm |
Kegel: | 8 |
D1 (max.): | 139,72 mm |
D2: | 171,4 mm |
D3: | 95 mm |
H1: | 90 mm |
Max. Drehzahl: | 400 U/min |
Gewicht ca.: | 38 kg |
Beschreibung:
Ausführung:
- Vierbacken-Planscheibe in Gussausführung
- Mit Camlock-Direktaufnahme nach DIN 55029
- Vier einzeln verstellbare Spannbacken
- Ab einem Durchmesser von 300 mm sind T-Nuten eingefräst
- Inklusive 1 Satz harte, einteilige Backen
Anwendungsbereich:
- Geeignet zum Spannen von asymmetrischen und rechteckigen Werkstücken auf Drehmaschinen
Diesen Artikel haben wir am 20.10.2012 in unseren Katalog aufgenommen.
Zuletzt angesehen




