- Produktbeschreibung
Produktbeschreibung
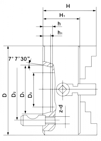
Nach DIN 55029
Technische Daten:
| Technische Daten | |
| Durchmesser: | 160 mm |
| Kegel: | 3 |
| D1: | 53,975 mm |
| D2: | 70,6 mm |
| D3: | 45 mm |
| H: | 96,5 mm |
| H1: | 65 mm |
| h: | 13 mm |
| h1: | 10 mm |
| z-d: | 3-M10x1 |
Beschreibung:
Lieferumfang:
- 1 Satz harte Umkehrbacken
- 1 SpannschlĂĽssel, Befestigungsschrauben
Diesen Artikel haben wir am 20.10.2012 in unseren Katalog aufgenommen.
Zuletzt angesehen



