- Produktbeschreibung
Produktbeschreibung
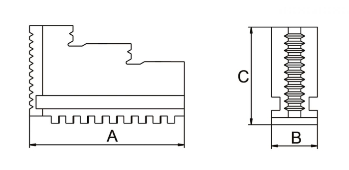
Der Bernardo Bohrbacken DOJ-DK11-80 Backen für 3-Backenfutter DK11 ist ein hochpräzises Werkzeug für verschiedene Bohrarbeiten. Die Backen sind speziell für das 3-Backenfutter DK11 konzipiert und bieten eine zuverlässige und präzise Bohrfunktion.
Technische Daten:
Futtergröße: | 80 mm |
A: | 32 mm |
B: | 12 mm |
C: | 33 mm |
D: | 6 mm |
E: | 7 mm |
F: | 6,5 mm |
H: | 22,5 mm |
G: | 11 mm |
Diesen Artikel haben wir am 20.10.2012 in unseren Katalog aufgenommen.
Zuletzt angesehen

