- Produktbeschreibung
Produktbeschreibung
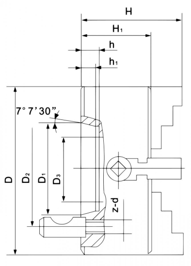
Die Bernardo Planscheibe K72-250/D5 ist eine hochwertige Planscheibe für verschiedene Anwendungen. Die Technischen Daten sind wie folgt:
| Technische Daten: | |
| Futtergröße: | 250/D5 |
| D - Durchmesser: | 250 mm |
| Kegel: | 5 |
| D1 (max.): | 82,56 mm |
| D2: | 104,8 mm |
| D3: | 56 mm |
| H1: | 80 mm |
| Max. Drehzahl: | 1200 U/min |
| Gewicht ca.: | 26 kg |
Diesen Artikel haben wir am 20.10.2012 in unseren Katalog aufgenommen.
Wir empfehlen Ihnen noch folgende Produkte:
Dieses Produkt ist z.B. kompatibel zu:
Zuletzt angesehen







