StartseiteMetallzubehörSpanntechnikKreuztischBernardo Halbuniversal-Teilkopf BS-0 Zubehör Rundtische
- Produktbeschreibung
Produktbeschreibung
Der Bernardo Halbuniversal-Teilkopf BS-0 Zubehör Rundtische ist ein hochpräzises Werkzeug für verschiedene Anwendungen. Die Spindel ist in Präzisionskegelrollenlagern gelagert, die Schnecke besteht aus Chrom-Nickel-Stahl und ist gehärtet sowie geschliffen. Das Phosphor-Bronze-Schneckenrad und die Übersetzung, die ausrastbar zum direkten Teilen ist (40:1), ermöglichen eine präzise und effiziente Arbeit.
Schwenkbar von horizontal bis vertikal (-10° bis +90°) und mit der Möglichkeit des direkten Teilens mit 24er-Raster, bietet dieser Teilkopf eine Vielzahl von Anwendungsmöglichkeiten. Jede Teilung von 2 bis 50 und viele Teilungen von 52 bis 380 sind möglich.
| Technische Daten: | |
| Übersetzung: | 40:1 |
| Bauhöhe: | 170 mm |
| Breite mit Zentrierspitze: | 195 mm |
| Länge: | 230 mm |
| Zentrierspitze: | MK 2 |
| Backenfutterflansch: | 125 mm |
| Schwenkbar: | 0° bis 90° |
| Spindelbohrung: | 18 mm |
| Nutenbreite: | 16 mm |
| Direkt-Teilscheibe (Teilung): | 24 (15°) |
| Gewicht ca.: | 16,8 kg |
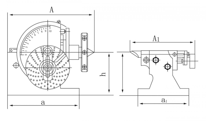
| Abmessungen Teilkopf: | Abmessungen Reitstock: | ||||
| A: | 195 mm | A1: | 175 mm | ||
| B: | 140 mm | B1: | 87 mm | ||
| H: | 170 mm | H1: | 107 mm | ||
| h: | 100 mm | h1: | 100 mm | ||
| a: | 166 mm | a1: | 130 mm | ||
| b: | 90 mm | b1: | 92 mm | ||
| g: | 16 mm | g1: | 16 mm | ||
Beschreibung:
- Spindel in Präzisionskegelrollenlagern
- Schnecke aus Chrom-Nickel-Stahl, gehärtet und geschliffen
- Phosphor-Bronze-Schneckenrad
- Übersetzung ausrastbar zum direkten Teilen (40:1)
- Schwenkbar von horizontal bis vertikal (-10° bis +90°)
- Direktes Teilen mit 24er-Raster
- Jede Teilung von 2 bis 50 und viele Teilungen von 52 bis 380 möglich
Lieferumfang:
- Reitstock
- 2 Teilscheiben
- Zentrierspitze
- Mitnehmer
- Futterflansch
Diesen Artikel haben wir am 20.10.2012 in unseren Katalog aufgenommen.
Wir empfehlen Ihnen noch folgende Produkte:
Sonderpreis € 2.549 ,- - 8%
inkl. 20 % MwSt. zzgl. Versandkosten
Sonderpreis € 2.199 ,- - 5%
inkl. 20 % MwSt. zzgl. Versandkosten
Sonderpreis € 5.955 ,- - 12%
inkl. 20 % MwSt. zzgl. Versandkosten
Dieses Produkt ist z.B. kompatibel zu:
Sonderpreis € 2.549 ,- - 8%
inkl. 20 % MwSt. zzgl. Versandkosten
Sonderpreis € 2.199 ,- - 5%
inkl. 20 % MwSt. zzgl. Versandkosten
Sonderpreis € 5.955 ,- - 12%
inkl. 20 % MwSt. zzgl. Versandkosten
Sonderpreis € 2.278 ,- - 10%
inkl. 20 % MwSt. zzgl. Versandkosten
Sonderpreis € 2.879 ,- - 10%
inkl. 20 % MwSt. zzgl. Versandkosten
Sonderpreis € 2.656 ,- - 10%
inkl. 20 % MwSt. zzgl. Versandkosten
Sonderpreis € 2.862 ,- - 10%
inkl. 20 % MwSt. zzgl. Versandkosten
Sonderpreis € 2.789 ,- - 10%
inkl. 20 % MwSt. zzgl. Versandkosten
Sonderpreis € 896 ,- - 3%
inkl. 20 % MwSt. zzgl. Versandkosten
Sonderpreis € 3.829 ,- - 14%
inkl. 20 % MwSt. zzgl. Versandkosten
Sonderpreis € 3.717 ,- - 12%
inkl. 20 % MwSt. zzgl. Versandkosten
Sonderpreis € 4.361 ,- - 12%
inkl. 20 % MwSt. zzgl. Versandkosten
Sonderpreis € 3.349 ,- - 11%
inkl. 20 % MwSt. zzgl. Versandkosten
Sonderpreis € 6.999 ,- - 5%
inkl. 20 % MwSt. zzgl. Versandkosten
Sonderpreis € 7.399 ,- - 7%
inkl. 20 % MwSt. zzgl. Versandkosten
Sonderpreis € 3.699 ,- - 12%
inkl. 20 % MwSt. zzgl. Versandkosten
Sonderpreis € 4.099 ,- - 12%
inkl. 20 % MwSt. zzgl. Versandkosten
Sonderpreis € 4.199 ,- - 8%
inkl. 20 % MwSt. zzgl. Versandkosten
Bernardo Bohr- und Fräsmaschine KF 60 inkl. 3-Achs-Digitalanzeige ES-12 V und Vorschub f. x/y-Achse
Sonderpreis € 7.772 ,- - 12%
inkl. 20 % MwSt. zzgl. Versandkosten
Sonderpreis € 899 ,- - 6%
inkl. 20 % MwSt. zzgl. Versandkosten
Sonderpreis € 939 ,- - 10%
inkl. 20 % MwSt. zzgl. Versandkosten
Sonderpreis € 1.099 ,- - 6%
inkl. 20 % MwSt. zzgl. Versandkosten
Sonderpreis € 1.198 ,- - 3%
inkl. 20 % MwSt. zzgl. Versandkosten
Sonderpreis € 13.485 ,- - 12%
inkl. 20 % MwSt. zzgl. Versandkosten
Sonderpreis € 15.299 ,- - 4%
inkl. 20 % MwSt. zzgl. Versandkosten
Sonderpreis € 13.699 ,- - 9%
inkl. 20 % MwSt. zzgl. Versandkosten
Sonderpreis € 18.999 ,-
inkl. 20 % MwSt. zzgl. Versandkosten
Sonderpreis € 41.199 ,- - 4%
inkl. 20 % MwSt. zzgl. Versandkosten
Sonderpreis € 33.999 ,-
inkl. 20 % MwSt. zzgl. Versandkosten
Sonderpreis € 12.999 ,- - 11%
inkl. 20 % MwSt. zzgl. Versandkosten
Sonderpreis € 27.399 ,- - 5%
inkl. 20 % MwSt. zzgl. Versandkosten
Sonderpreis € 25.899 ,- - 3%
inkl. 20 % MwSt. zzgl. Versandkosten
Sonderpreis € 19.599 ,- - 5%
inkl. 20 % MwSt. zzgl. Versandkosten
Sonderpreis € 34.999 ,- - 4%
inkl. 20 % MwSt. zzgl. Versandkosten
Sonderpreis € 37.999 ,-
inkl. 20 % MwSt. zzgl. Versandkosten
Sonderpreis € 28.999 ,- - 3%
inkl. 20 % MwSt. zzgl. Versandkosten
Sonderpreis € 12.239 ,- - 12%
inkl. 20 % MwSt. zzgl. Versandkosten
Sonderpreis € 2.721 ,- - 10%
inkl. 20 % MwSt. zzgl. Versandkosten
Sonderpreis € 2.999 ,- - 11%
inkl. 20 % MwSt. zzgl. Versandkosten
Sonderpreis € 22.399 ,- - 6%
inkl. 20 % MwSt. zzgl. Versandkosten
Sonderpreis € 2.214 ,- - 10%
inkl. 20 % MwSt. zzgl. Versandkosten
Sonderpreis € 69.999 ,-
inkl. 20 % MwSt. zzgl. Versandkosten
Sonderpreis € 2.851 ,- - 10%
inkl. 20 % MwSt. zzgl. Versandkosten
Sonderpreis € 3.599 ,-
inkl. 20 % MwSt. zzgl. Versandkosten
Sonderpreis € 3.399 ,- - 10%
inkl. 20 % MwSt. zzgl. Versandkosten
Sonderpreis € 3.067 ,- - 10%
inkl. 20 % MwSt. zzgl. Versandkosten
Sonderpreis € 48.399 ,-
inkl. 20 % MwSt. zzgl. Versandkosten
Sonderpreis € 4.599 ,- - 10%
inkl. 20 % MwSt. zzgl. Versandkosten
Sonderpreis € 3.379 ,- - 10%
inkl. 20 % MwSt. zzgl. Versandkosten
Sonderpreis € 15.299 ,- - 5%
inkl. 20 % MwSt. zzgl. Versandkosten
Sonderpreis € 3.699 ,- - 11%
inkl. 20 % MwSt. zzgl. Versandkosten
Sonderpreis € 2.937 ,- - 10%
inkl. 20 % MwSt. zzgl. Versandkosten
Sonderpreis € 42.999 ,-
inkl. 20 % MwSt. zzgl. Versandkosten
Sonderpreis € 37.500 ,-
inkl. 20 % MwSt. zzgl. Versandkosten
Sonderpreis € 38.999 ,- - 4%
inkl. 20 % MwSt. zzgl. Versandkosten
Sonderpreis € 57.999 ,-
inkl. 20 % MwSt. zzgl. Versandkosten
Sonderpreis € 2.599 ,- - 4%
inkl. 20 % MwSt. zzgl. Versandkosten
Sonderpreis € 2.649 ,- - 6%
inkl. 20 % MwSt. zzgl. Versandkosten
Sonderpreis € 2.899 ,- - 11%
inkl. 20 % MwSt. zzgl. Versandkosten
Kunden, die diesen Artikel kauften, haben auch folgende Artikel bestellt:
Sonderpreis € 2.789 ,- - 10%
inkl. 20 % MwSt. zzgl. Versandkosten
Sonderpreis € 419 ,- - 6%
inkl. 20 % MwSt. zzgl. Versandkosten
Sonderpreis € 128 ,-
inkl. 20 % MwSt. zzgl. Versandkosten
Sonderpreis € 299 ,- - 3%
inkl. 20 % MwSt. zzgl. Versandkosten
Sonderpreis € 369 ,- - 4%
inkl. 20 % MwSt. zzgl. Versandkosten
Sonderpreis € 238 ,- - 6%
inkl. 20 % MwSt. zzgl. Versandkosten
Zuletzt angesehen
Sonderpreis € 529 ,- - 6%
inkl. 20 % MwSt. zzgl. Versandkosten
































































