StartseiteMetallzubehörSpanntechnikKreuztischBernardo Horizontal- und Vertikalrundtisch HV 6 Rundtische
- Produktbeschreibung
Produktbeschreibung
Der Bernardo Horizontal- und Vertikalrundtisch HV 6 Rundtische ist ein vielseitiges Werkzeug für Fräs- und Bohrarbeiten auf Horizontal- oder Vertikalfräsmaschinen, Bohrmaschinen usw. Die Tischplatte ist aus hochwertigem Meehaniteguß hergestellt. Schneckenwelle gehärtet und geschliffen, Schneckenrad aus Spezialguß. Klemmung der Tischplatte erfolgt durch zwei Klemmhebel. Übersetzung im Schneckengetriebe 90:1. Grad-Teilarbeiten über Skalentrommel mit verstellbarem Nonius. Direkt-Teilarbeiten über die am Tisch angebrachte 360° Skala.
- Einsetzbar bei Fräs- und Bohrarbeiten auf Horizontal- oder Vertikalfräsmaschinen, Bohrmaschinen usw.
- Die Tischplatte ist aus hochwertigem Meehaniteguß hergestellt
- Schneckenwelle gehärtet und geschliffen, Schneckenrad aus Spezialguß
- Klemmung der Tischplatte erfolgt durch zwei Klemmhebel
- Übersetzung im Schneckengetriebe 90:1
- Grad-Teilarbeiten über Skalentrommel mit verstellbarem Nonius
- Direkt-Teilarbeiten über die am Tisch angebrachte 360° Skala
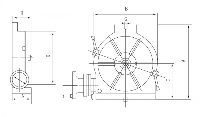
| Technische Daten: | |
| Tischdurchmesser: | 150 mm |
| Übersetzung: | 90:1 |
| Morsekonus: | MK 2 |
| Anzahl T-Nuten: | 4 Stk. |
| Max. Tragkraft horizontal: | 40 kg |
| Max. Tragkraft vertikal: | 20 kg |
| A: | 200 mm |
| B: | 160 mm |
| C: | 100 mm |
| D: | 150 mm |
| E: | 11 mm |
| G: | 17 mm |
| H: | 83 mm |
| N: | 78 mm |
| Gewicht ca.: | 14 kg |
Diesen Artikel haben wir am 20.10.2012 in unseren Katalog aufgenommen.
Wir empfehlen Ihnen noch folgende Produkte:
Sonderpreis € 2.549 ,- - 8%
inkl. 20 % MwSt. zzgl. Versandkosten
Sonderpreis € 2.656 ,- - 10%
inkl. 20 % MwSt. zzgl. Versandkosten
Sonderpreis € 4.099 ,- - 12%
inkl. 20 % MwSt. zzgl. Versandkosten
Sonderpreis € 5.955 ,- - 12%
inkl. 20 % MwSt. zzgl. Versandkosten
Dieses Produkt ist z.B. kompatibel zu:
Sonderpreis € 2.549 ,- - 8%
inkl. 20 % MwSt. zzgl. Versandkosten
Sonderpreis € 2.656 ,- - 10%
inkl. 20 % MwSt. zzgl. Versandkosten
Sonderpreis € 4.099 ,- - 12%
inkl. 20 % MwSt. zzgl. Versandkosten
Sonderpreis € 5.955 ,- - 12%
inkl. 20 % MwSt. zzgl. Versandkosten
Sonderpreis € 2.862 ,- - 10%
inkl. 20 % MwSt. zzgl. Versandkosten
Sonderpreis € 2.789 ,- - 10%
inkl. 20 % MwSt. zzgl. Versandkosten
Sonderpreis € 896 ,- - 3%
inkl. 20 % MwSt. zzgl. Versandkosten
Sonderpreis € 3.829 ,- - 14%
inkl. 20 % MwSt. zzgl. Versandkosten
Sonderpreis € 3.717 ,- - 12%
inkl. 20 % MwSt. zzgl. Versandkosten
Sonderpreis € 4.361 ,- - 12%
inkl. 20 % MwSt. zzgl. Versandkosten
Sonderpreis € 3.349 ,- - 11%
inkl. 20 % MwSt. zzgl. Versandkosten
Sonderpreis € 6.999 ,- - 5%
inkl. 20 % MwSt. zzgl. Versandkosten
Sonderpreis € 7.399 ,- - 7%
inkl. 20 % MwSt. zzgl. Versandkosten
Sonderpreis € 3.699 ,- - 12%
inkl. 20 % MwSt. zzgl. Versandkosten
Sonderpreis € 4.199 ,- - 8%
inkl. 20 % MwSt. zzgl. Versandkosten
Bernardo Bohr- und Fräsmaschine KF 60 inkl. 3-Achs-Digitalanzeige ES-12 V und Vorschub f. x/y-Achse
Sonderpreis € 7.772 ,- - 12%
inkl. 20 % MwSt. zzgl. Versandkosten
Sonderpreis € 13.485 ,- - 12%
inkl. 20 % MwSt. zzgl. Versandkosten
Sonderpreis € 2.199 ,- - 5%
inkl. 20 % MwSt. zzgl. Versandkosten
Sonderpreis € 2.278 ,- - 10%
inkl. 20 % MwSt. zzgl. Versandkosten
Sonderpreis € 2.879 ,- - 10%
inkl. 20 % MwSt. zzgl. Versandkosten
Sonderpreis € 2.649 ,- - 6%
inkl. 20 % MwSt. zzgl. Versandkosten
Sonderpreis € 2.599 ,- - 4%
inkl. 20 % MwSt. zzgl. Versandkosten
Sonderpreis € 2.721 ,- - 10%
inkl. 20 % MwSt. zzgl. Versandkosten
Sonderpreis € 2.999 ,- - 11%
inkl. 20 % MwSt. zzgl. Versandkosten
Sonderpreis € 3.599 ,-
inkl. 20 % MwSt. zzgl. Versandkosten
Sonderpreis € 2.214 ,- - 10%
inkl. 20 % MwSt. zzgl. Versandkosten
Sonderpreis € 3.067 ,- - 10%
inkl. 20 % MwSt. zzgl. Versandkosten
Sonderpreis € 69.999 ,-
inkl. 20 % MwSt. zzgl. Versandkosten
Sonderpreis € 2.851 ,- - 10%
inkl. 20 % MwSt. zzgl. Versandkosten
Sonderpreis € 4.599 ,- - 10%
inkl. 20 % MwSt. zzgl. Versandkosten
Sonderpreis € 2.937 ,- - 10%
inkl. 20 % MwSt. zzgl. Versandkosten
Sonderpreis € 3.699 ,- - 11%
inkl. 20 % MwSt. zzgl. Versandkosten
Sonderpreis € 48.399 ,-
inkl. 20 % MwSt. zzgl. Versandkosten
Sonderpreis € 33.999 ,-
inkl. 20 % MwSt. zzgl. Versandkosten
Sonderpreis € 27.399 ,- - 5%
inkl. 20 % MwSt. zzgl. Versandkosten
Sonderpreis € 25.899 ,- - 3%
inkl. 20 % MwSt. zzgl. Versandkosten
Sonderpreis € 28.999 ,- - 3%
inkl. 20 % MwSt. zzgl. Versandkosten
Sonderpreis € 3.379 ,- - 10%
inkl. 20 % MwSt. zzgl. Versandkosten
Sonderpreis € 57.999 ,-
inkl. 20 % MwSt. zzgl. Versandkosten
Sonderpreis € 34.999 ,- - 4%
inkl. 20 % MwSt. zzgl. Versandkosten
Sonderpreis € 3.399 ,- - 10%
inkl. 20 % MwSt. zzgl. Versandkosten
Sonderpreis € 22.399 ,- - 6%
inkl. 20 % MwSt. zzgl. Versandkosten
Sonderpreis € 15.299 ,- - 4%
inkl. 20 % MwSt. zzgl. Versandkosten
Sonderpreis € 19.599 ,- - 5%
inkl. 20 % MwSt. zzgl. Versandkosten
Sonderpreis € 13.699 ,- - 9%
inkl. 20 % MwSt. zzgl. Versandkosten
Sonderpreis € 18.999 ,-
inkl. 20 % MwSt. zzgl. Versandkosten
Sonderpreis € 37.999 ,-
inkl. 20 % MwSt. zzgl. Versandkosten
Sonderpreis € 12.239 ,- - 12%
inkl. 20 % MwSt. zzgl. Versandkosten
Sonderpreis € 12.999 ,- - 11%
inkl. 20 % MwSt. zzgl. Versandkosten
Sonderpreis € 42.999 ,-
inkl. 20 % MwSt. zzgl. Versandkosten
Sonderpreis € 37.500 ,-
inkl. 20 % MwSt. zzgl. Versandkosten
Sonderpreis € 38.999 ,- - 4%
inkl. 20 % MwSt. zzgl. Versandkosten
Sonderpreis € 41.199 ,- - 4%
inkl. 20 % MwSt. zzgl. Versandkosten
Sonderpreis € 2.899 ,- - 11%
inkl. 20 % MwSt. zzgl. Versandkosten
Kunden, die diesen Artikel kauften, haben auch folgende Artikel bestellt:
Sonderpreis € 3.879 ,- - 16%
inkl. 20 % MwSt. zzgl. Versandkosten
Sonderpreis € 176 ,-
inkl. 20 % MwSt. zzgl. Versandkosten
Sonderpreis € 75 ,-
inkl. 20 % MwSt. zzgl. Versandkosten
Sonderpreis € 99 ,-
inkl. 20 % MwSt. zzgl. Versandkosten
Sonderpreis € 169 ,- - 5%
inkl. 20 % MwSt. zzgl. Versandkosten
Sonderpreis € 165 ,- - 8%
inkl. 20 % MwSt. zzgl. Versandkosten
Zuletzt angesehen
Sonderpreis € 375 ,- - 8%
inkl. 20 % MwSt. zzgl. Versandkosten




























































